Home

Gegebenheiten

Material und Methode

 - Raumheizung 
 - Details

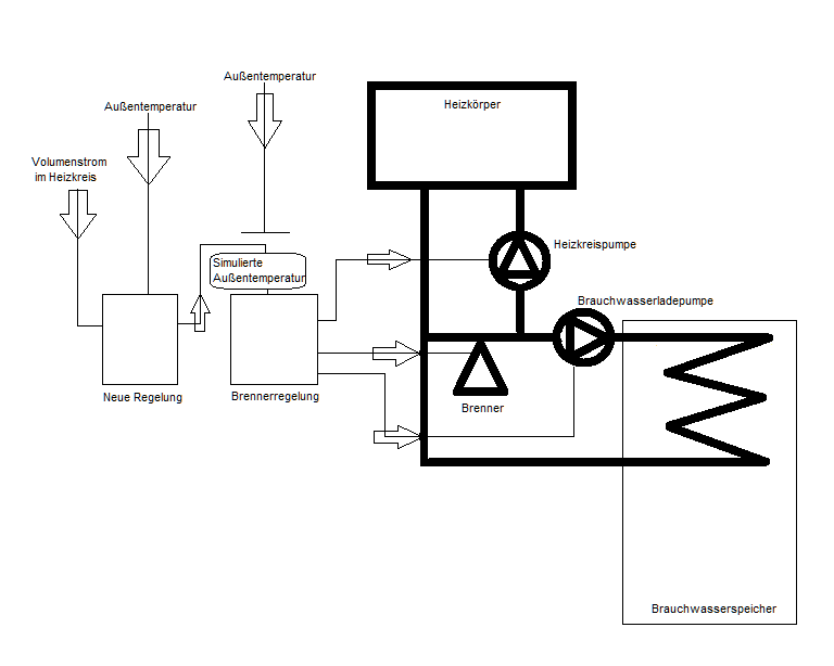
Schemazeichnung

Ergebnisse 

- Aufzeichnungen Temperaturverläufe

 

Impressum und Datenschutzerklärung

Hier eine schematische Zeichnung, wie der Prototyp meiner Regelung (in der Zeichnung "Neue Regelung") sich einfügt.

Die dicken Striche sind die hydraulischen Verschaltungen.